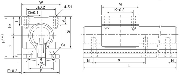
Thông số kỹ thuật
- Chúng tôi có đủ Model, Size, hàng tồn kho để phục vụ quý khách
- Bảo hành chính hãng MYT: 3 tháng
- Giao hàng nhanh từ 0-5 ngày

Model | Basic load rating | Weight(g) | Dimensions(mm) | Model | Dimensions(mm) | |||||||||||||||||||
Rail units | Slide units | Dynamic | Static | Slide units | Rails | D | h2 | H | E | θ | W | G | A | B | T | M | S1xL | J | K | S2 | C | N | P | |
SBR10SA | SBR10UU | 380 | 560 | 65 | 1 | 12.5 | 15 | 33 | 2 | 80° | SBR10SA | 36 | 24 | 7 | 32 | 4 | 32 | M5×10 | 25 | 20 | φ4.5 | 22 | 15 | 120 |
SBR12SA | SBR12UU | 510 | 780 | 100 | 1 | 14 | 17 | 37.4 | 3 | 80° | SBR12SA | 40 | 27.6 | 8 | 34 | 4.5 | 39 | M5×10 | 28 | 26 | φ4.5 | 25 | 15 | 120 |
SBR16SA | SBR16UU | 770 | 1 | 150 | 2 | 22.5 | 20 | 45 | 2.5 | 80° | SBR16SA | 45 | 33 | 9 | 40 | 5 | 45 | M5×12 | 32 | 30 | φ5.5 | 30 | 20 | 150 |
SBR20SA | SBR20UU | 860 | 1 | 200 | 3 | 24 | 23 | 50 | 1.5 | 60° | SBR20SA | 48 | 39 | 11 | 45 | 5 | 50 | M5×12 | 35 | 35 | φ5.5 | 30 | 20 | 150 |
SBR25SA | SBR25UU | 980 | 1 | 450 | 5 | 30 | 27 | 60 | 2.5 | 50° | SBR25SA | 60 | 47 | 14 | 55 | 6 | 65 | M5×12 | 40 | 40 | φ6.6 | 35 | 25 | 200 |
SBR30SA | SBR30UU | 1 | 2 | 630 | 7 | 35 | 33 | 70 | 5 | 50° | SBR30SA | 70 | 56 | 15 | 60 | 7 | 70 | M5×18 | 50 | 50 | φ6.6 | 40 | 25 | 200 |
SBR35SA | SBR35UU | 1 | 3 | 920 | 10 | 40 | 37 | 80 | 7.5 | 50° | SBR35SA | 80 | 63 | 18 | 65 | 8 | 80 | M5×18 | 55 | 55 | φ9.0 | 45 | 30 | 200 |
SBR40SA | SBR40UU | 2 | 4 | 1 | 13 | 45 | 42 | 90 | 7.5 | 50° | SBR40SA | 90 | 72 | 20 | 75 | 9 | 90 | M5×20 | 65 | 65 | φ9.0 | 55 | 30 | 200 |
SBR50SA | SBR50UU | 3 | 7 | 3 | 20 | 60 | 53 | 115 | 12.5 | 50° | SBR50SA | 120 | 92 | 25 | 95 | 11 | 110 | M5×20 | 94 | 80 | φ11 | 70 | 35 | 200 |
Sản phẩm liên quan














